Mi proyecto consiste en una sistema que controla el volumen del audio como los que algunos automóviles tienen que detectan el ruido del exterior y de acuerdo a eso suben el volumen del radio.
Lo que se va a buscar es encontrar el error, en términos de cuanta diferencia hay, cuando el error es pequeño entonces debemos agregar una amplificación y así detectar más fácilmente el error que estamos teniendo, y así poder hacer que el error desaparezca y la salida se apegue a la salida ideal.
Esto lo haremos posible con un sensor de sonido o micrófono que capta el ruido que hay en el ambiente, un Arduino que es el que recibe la señal del sensor, la computadora que el quien sube o baja el volumen de acuerdo a la entrada y las bocinas para reproducir el sonido.
Primeramente hice un diagrama de bloques general para el sistema que me quedo de la siguiente manera:
Es un sistema de lazo cerrado , con el sensor, en donde la salida es igual a la salida real del sistema.La diferencia entre las salidas real y deseada es igual al error que se ajusta por el dispositivo de control.La salida de dispositivo de control hace que el actuador module el proceso y así se reduce el error.Mi diagrama consiste en un Filtro, un Micrófono, Controlador, y Bocina, también esta el sensor.
Ecuación, significado en la entrada pasada:
Comenzamos a descomponer en partes nuestra ecuación:
Las cajas son las funciones generadas en la función de transferencia, las flechas indican el flujo de la señal de una función a otra. Y se genera un diagrama lineal de bloques en donde siempre o sumamos restamos las funciones.
Nuestro diagrama de bloques de la función descrita en la entrada pasada es:
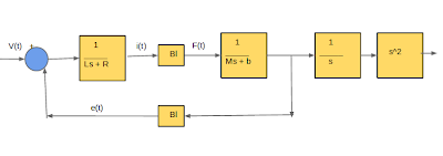
El diagrama de bloque para la planta haciendo algunas modificaciones al reporte pasado de acuerdo a nuevas fuentes que he consultado, ahora se dividirá en la parte mecánica(bocina), eléctrica (circuito) y magnética interacciones), obtenemos el siguiente diagrama de bloques, obteniendo cada ecuación de la tablita pre establecida, para cada función que debe cumplir la planta.:
Explicando a que pertenece cada bloquesito tenemos las funciones predefinidas para áreas como se ve a continuación:
Referencias:
Funcion de transferencia de una bocina








Bien, 10.
ResponderEliminar